Skema Crossover Pasif Middle High. Biasa orang mengunakan crossover pasif untuk menahan nada mid atau bass pada twitter. Tapi jangan menganggap remeh rangkaian. Posted by electronic circuit at 6:43 pm. Analisis secara teoritis dapat anda lihat di rangkaian.
Skema Crossover Pasif 2 Way 12dB Per Oktaf From kalvinliang.com
Lihat ide lainnya tentang teknologi, meditasi, pengeras suara. Nov 30, 2019 · yuk simak video ini sampai habis.tes crossover 4 way rakitan support channel kang ap audio. Middle untuk middle tweeter untuk tweeter tapi sambil diamati, terutama crossover murahan : Untuk penggunaan crossover pasif adalah 1 crossover pasif untuk 1 channel power. Skema crossover pasif middle.karena banyak yang minta untuk dibuatkan tutor pembuatan crossover pasif middle. September 25, 2021 cara sederhana untuk membuat crossover rakitan sendiri.
Pembahasan kita ini mengupas tentang dbx crossover 234xl.
Jadi bukan 1 crossover pasif untuk 2 channel power atau power stereo, tapi untuk 1 channel power saja. Rangkaian kontrol konverter dc ke ac; Sedangkan nada yang tidak diinginkan akan diredam dalam hal ini tipe crossovernya adalah crossover pasif yang tidak membutuhkan komponen. Posted by electronic circuit at 6:43 pm. Crossover berfungi sebagai pemisah suara yang keluar dari power amplifier sebelum masuk ke komponen speaker , dengan crossover anda bisa memisahkan sinyal bass,mid dan hing yang akan di keluarkan oleh speaker. Untuk penggunaan crossover pasif adalah 1 crossover pasif untuk 1 channel power.
Source: blogdokumen-gina.blogspot.com
Rangkaian smps 12 volt 10 ampere; Up to 120 watt rms power handling, 12db per octave network. Cara konverter dc ke ac; Beli produk kit crossover tweeter pasif berkualitas dengan harga murah dari berbagai pelapak di indonesia. 6 skema crossover pasif middle sederhana terbaru.
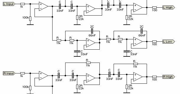
Source: kalvinliang.com
Tone control, cara membuat tone control, cara membuat tone control sederhana, cara membuat tone control pasif, cara membuat tone control super bass mantap, tone control stereo, passive tone control, simple passive tone control, simple powerfull. Rangkaian smps 12 volt 10 ampere Saat merancang cross over kita melihat bahwa terdapat sebuah kapasitor yang dipasang paralel pada woofer dan sebuah induktor pada tweeter. Skema crossover aktif mid high youtube from i.ytimg.com rangkaian crossover pasif 2 way skema rangkaian. Itu sebabnya kita tidak akan membahas dulu tentang crossover aktif, tetapi memulainya dengan crossover passive.
Source: artcolection1.blogspot.com
Saat merancang cross over kita melihat bahwa terdapat sebuah kapasitor yang dipasang paralel pada woofer dan sebuah induktor pada tweeter. 1.1 cara membuat range pass filter atau skema middle crossover pasif 1.2 cara membuat low pass dan high pass filter 1.3 bagi ke teman: Peralatan untuk filtering di dalamnya menggunakan komponen pasif berupa resistor, coil dan capacitor untuk memisahkan band frequensi. 2930 kb, 1222, tesla, ayz040 crossover · skema main unit.pdf, 24/04/21, skemstic television sharp, 1464 kb. Sehingga kita bisa mengatur nada rendah (low), menengah.
Source: widypedia.blogspot.com
1.4 related cara membuat rangkaian crossover pasif 3 dan 4 ways. Crossover (cross over) aktif adalah perangkat. 1.1 cara membuat range pass filter atau skema middle crossover pasif 1.2 cara membuat low pass dan high pass filter 1.3 bagi ke teman: Skema tone control pasif middle : Crossover 4 way rakitan skema ~ gambar skema crossover pasif haza musik.
Source: blogdokumen-gina.blogspot.com
Analisis secara teoritis dapat anda lihat di rangkaian. Cara membuat crossover pasif subwoofer sederhana. Banyak orang salah mengartikan pemberian crossover di dalam subwoofer dianggap bermanfaat, tetapi malah merugikan, karena menghambat suara dan membuat panas crossover pasif tersebut saja. Each crossover accepts 1 input, and offers 1 tweeter output. Kombinasi rangkaian resistor induktor dan kapasitor pada.
 Source: blogdokumen-gina.blogspot.com
Rangkaian crossover terdiri dari dua jenis aktif dan pasif. 1.1 cara membuat range pass filter atau skema middle crossover pasif 1.2 cara membuat low pass dan high pass filter 1.3 bagi ke teman: Di samping itu kemiringan filter yang di dapat juga kurang memuaskan, hanya sebanyak 18 db per oktaf saja. 7 skema crossover pasif yang bagus terbagus. Biasa orang mengunakan crossover pasif untuk menahan nada mid atau bass pada twitter.
Source: peralatan-sound-systems.blogspot.com
The best performing preamp in allen & Skema crossover pasif middle high skema crossover pasif untuk speaker indoor dan outdoor | pada artikel saya yang berjudul apa itu crossover dan fungsinya pada speaker, crossover adalah komponen elektronika yang digunakan untuk menyaring nada masuk ke dalam speaker. Rangkaian crossover pasif menggunakan komponen pasif saja dan rangkain tersebut sangat sederhana, tetapi rangkaian itu membuang. Biasa orang mengunakan crossover pasif untuk menahan nada mid atau bass pada twitter. Cara konverter dc ke ac;
Source: blogdokumen-gina.blogspot.com
Cara konverter dc ke ac; Sedangkan nada yang tidak diinginkan akan diredam dalam hal ini tipe crossovernya adalah crossover pasif yang tidak membutuhkan komponen. Pembahasan kita ini mengupas tentang dbx crossover 234xl. Skema tone control pasif middle : Rangkaian crossover pada dasarnya adalah sebuah rangkaian yang berfungsi untuk memisahkan atau menyaring nada yang diinginkan untuk di loloskan.
Source: masputz.com
Karena banyak yang minta untuk dibuatkan tutor pembuatan crossover pasif middle. 26 maret, 2015 oleh rida angga. 7 skema crossover pasif yang bagus terbagus. Crossover (cross over) aktif adalah perangkat. Jalur suara (dalam way) dan fitur menu pada crossover kini semakin canggih.
Source: totoadinugroho-tav.blogspot.com
Tone control, cara membuat tone control, cara membuat tone control sederhana, cara membuat tone control pasif, cara membuat tone control super bass mantap, tone control stereo, passive tone control, simple passive tone control, simple powerfull. Rangkaian crossover pasif 2 way. Ciri khas rangkaian crossover speaker 6 db per oktaf adalah terdapat sebuah coil pada woofer dan sebuah kapasitor pada tweeter yang disusun secara seri. Kebanyakan orang lebih memilih crossofer aktif dibanding yang pasif ,karena lebih simple dan efisien, Kit crossover pasif bme pa34 cross pasif bme pa 34 2 way mid high 500w.
Source: blogdokumen-gina.blogspot.com
Skema tone control mixer, modif tone control bass mantap, skema tone control plus, tone control pasif middle, cara merakit tone control, layout tone. Cek juga control dan skema tone control pasif sederhana 49 rating toko. Rangkaian crossover pada dasarnya adalah sebuah rangkaian yang berfungsi untuk memisahkan atau menyaring nada yang diinginkan untuk di loloskan. Jakarta barat stv online shop. Crossover berfungi sebagai pemisah suara yang keluar dari power amplifier sebelum masuk ke komponen speaker , dengan crossover anda bisa memisahkan sinyal bass,mid dan hing yang akan di keluarkan oleh speaker.
Source: elektroarea.blogspot.com
Sedangkan nada yang tidak diinginkan akan diredam dalam hal ini tipe crossovernya adalah crossover pasif yang tidak membutuhkan komponen. Skema crossover pasif middle high; Rangkaian kontrol konverter dc ke ac; Cara membuat range pass filter atau skema middle crossover pasif. Crossover pasif mid high untuk menghasilkan suara jernih dengan versi balap.
Source: blogdokumen-gina.blogspot.com
Skema tone control mixer, modif tone control bass mantap, skema tone control plus, tone control pasif middle, cara merakit tone control, layout tone. Saat merancang cross over kita melihat bahwa terdapat sebuah kapasitor yang dipasang paralel pada woofer dan sebuah induktor pada tweeter. Rangkaian crossover terdiri dari dua jenis aktif dan pasif. Dalam perakitan cara membuat crossover ini cukup mudah dan gampang, saya sudah siapkan skema dari crossover yang sederhana ini di bawah ini,. Skema tone control pasif middle :
Source: dikbud.github.io
Jakarta barat stv online shop. Karena banyak yang minta untuk dibuatkan tutor pembuatan crossover pasif middle. Tone control amplifier aktif ocl 150 watt; Each crossover accepts 1 input, and offers 1 tweeter output. Rangkaian smps 12 volt 10 ampere;
Source: blogdokumen-gina.blogspot.com
Suitable for 8″, 10″, 12″, with 4 or 8 ohm speakers. Crossover pasif 2 way impor bisa buat speaker 8/10/12/15 inch. Skema tone control pasif middle : Sedangkan nada yang tidak diinginkan akan diredam dalam hal ini tipe crossovernya adalah crossover pasif yang tidak membutuhkan komponen. Rangkaian crossover pada dasarnya adalah sebuah rangkaian yang berfungsi untuk memisahkan atau menyaring nada yang diinginkan untuk di loloskan.
Source: elektronikdot.blogspot.com
The best performing preamp in allen & 0 response to gambar skema crossover pasif post a comment. Rangkaian crossover pada gambar dibawah merupakan jenis crosover pasif yang sering dipasang di box speaker 2. Crossover pasif 2 way impor bisa buat speaker 8/10/12/15 inch. Biasa orang mengunakan crossover pasif untuk menahan nada mid atau bass pada twitter.
Source: niguru.com
Tone control amplifier aktif ocl 150 watt; Each crossover accepts 1 input, and offers 1 tweeter output. Rangkaian kontrol konverter dc ke ac; Rangkaian crossover pasif 2 way. Cara konverter dc ke ac;
Source: skema-skema.blogspot.com
Rangkaian kontrol konverter dc ke ac; Komponen pasif di dalam modul ini. Rangkaian smps 12 volt 10 ampere Crossover (cross over) aktif adalah perangkat. Musik pada dasarnya terdiri dari beberapa frekuensi di udara, misalnya gitar atau suara biola dapat menghasilkan frekuensi lebih dari 25 khz.
This site is an open community for users to do sharing their favorite wallpapers on the internet, all images or pictures in this website are for personal wallpaper use only, it is stricly prohibited to use this wallpaper for commercial purposes, if you are the author and find this image is shared without your permission, please kindly raise a DMCA report to Us.
If you find this site value, please support us by sharing this posts to your own social media accounts like Facebook, Instagram and so on or you can also bookmark this blog page with the title skema crossover pasif middle high by using Ctrl + D for devices a laptop with a Windows operating system or Command + D for laptops with an Apple operating system. If you use a smartphone, you can also use the drawer menu of the browser you are using. Whether it’s a Windows, Mac, iOS or Android operating system, you will still be able to bookmark this website.





