Perhitungan Pondasi Telapak Xls. Pondasi merupakan struktur bawah yang berfungsi untuk meletakkan bangunan di atas tanah dan meneruskan beban ke tanah dasar. Rab pondasi cakar ayam xls desain dekorasi rumah. Pondasi tiang pancang beton pada prinsipnya terdiri dari : Untuk peletakkan tiap tiap ruangan bisa di sesuaikan dengan kondisi luas rumah.
Perhitungan Pondasi Telapak Xls From orauvi.blogspot.com
Maka dari itu pondasi ini disebut pondasi tapak. Tinggi efektif pondasi telapak d 033 m. Pondasi telapak menerus seperti gambar dibangun diatas tanah lempung stiff clay dan mendukung beban 150 knm panjang dindingtebal fondasi 20 cm berat unit beton. Sebelum masuk ke cara menghitungnya, kita bahas singkat terlebih dahulu soal apa itu pondasi tapak. Simpan simpan perhitungan pondasi telapak.xls untuk nanti. Download spreadsheet excel, perencanaan pondasi telapak menghitung volume pekerjaan xls) contoh.
Analisa rab berat besi pondasi footplat argajogja argajogja s blog.
Pada kolom satu bekerja : Cara menghitung tulangan pondasi tapak. Sebelum masuk ke cara menghitungnya, kita bahas singkat terlebih dahulu soal apa itu pondasi tapak. Tinggi efektif pondasi telapak d 033 m. Tandai sebagai konten tidak pantas. Pondasi setempat atau biasa disebut juga pondasi foot plat pondasi telapak atau pondasi tapak pada umumnya dipakai untuk r.
Source: masnurul.com
Analisa data dan penyelidikan tanah. Kampus teknik sipil spreadsheet excel perencanaan pondasi telapak persegi panjang. Perhitungan pondasi telapak blog nobel. Cara menghitung volume galian pondasi tapak, cara menghitung volume beton pondasi telapak, cara menghitung volume pondasi cakar ayam, menghitung volume pondasi trapesium, perhitungan pondasi telapak xls, cara menghitung tulangan pondasi footplat, rab pondasi. Dibawah ini merupakan file excel perhitungan untuk pondasi tiang pancang dan footplat.
Source: scribd.com
Dalam lingkup teknik sipil excel sudah mendapat tempat tersendiri bagi profesi. Perhitungan volume dan rab pondasi telapak inilah 5 cara menghitung volume beton pondasi cakar ayam rab pondasi cakar ayam xls belajar teknik sipil, jasa perencanaan konstruksi bangunan: You can also bookmark this page with the. Tinggi efektif pondasi telapak d 033 m. Perhitungan pondasi telapak blog nobel.
Source: academia.edu
Pada kolom satu bekerja : Cara menghitung volume galian pondasi tapak, cara menghitung volume beton pondasi telapak, cara menghitung volume pondasi cakar ayam, menghitung volume pondasi trapesium, perhitungan pondasi telapak xls, cara menghitung tulangan pondasi footplat, rab pondasi. Cara menghitung volume galian pondasi tapak, cara menghitung pondasi telapak, cara menghitung volume pondasi cakar ayam, menghitung volume pondasi trapesium, perhitungan pondasi telapak xls, menghitung. Perhitungan pondasi telapak blog nobel. Mutu beton fc� = 25 mpa mutu.
Source: orauvi.blogspot.com
Kampus teknik sipil spreadsheet excel perencanaan pondasi telapak persegi panjang. Download detail pondasi tiang pancang dwg autocad asdar id pondasi jembatan contoh hitungan tiang pancang xls document perhitungan pondasi telapak xls pondasi tiang pancang pile cap foundation pdf document tiang pancang beton segi empat 25 x 25 cm argajogja s blog Unduh sebagai xls, pdf, txt atau baca online dari scribd. Kampus teknik sipil spreadsheet excel perencanaan pondasi telapak persegi panjang. Rab pondasi cakar ayam xls desain dekorasi rumah.
Source: orauvi.blogspot.com
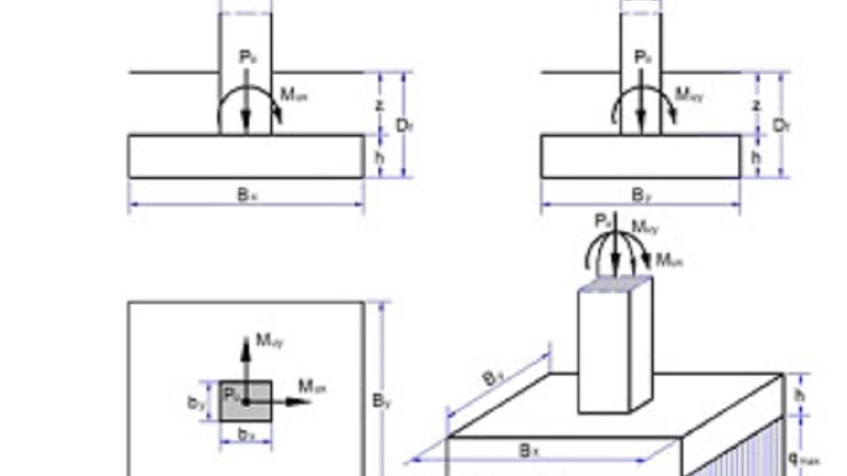
• hasil analisis struktur dari suatu kolom interior, berukuran 500mm x 500mm, diperoleh: Mutu beton fc� = 25 mpa mutu. Rab pondasi cakar ayam xls desain dekorasi rumah. Analisa data dan penyelidikan tanah. Pondasi tiang pancang beton pada prinsipnya terdiri dari :
Source: berbagaistruktur.blogspot.com
Perhitungan pondasi footplat & tiang pancang (fitri handayani_061630100055).xlsx Poin pembahasan 10+ cara menghitung volume tulangan pondasi telapak adalah : Sebagai gambaran dalam perhitungan ini dibahas mengenai : Pondasi setempat atau biasa disebut juga pondasi foot plat pondasi telapak atau pondasi tapak pada umumnya dipakai untuk r. 10 cara menghitung volume tulangan pondasi telapak.
Source: dokumen.tips
Poin pembahasan terbaru cara menghitung volume beton pondasi telapak, ilmu bangunan adalah : Download file excel perhitungan pondasi footplat dan tiang pancang. Untuk contoh penggunaan spreadsheet ini, akan diulas pada posting berikutnya. Tandai sebagai konten tidak pantas. Pondasi tiang pancang beton pada prinsipnya terdiri dari :
Source: pangondian-f2p.blogspot.com
Pondasi tiangpancang beton cor di tempat dan tiang pancang beton system fabrikasi. Maka dari itu pondasi ini disebut pondasi tapak. Rab pondasi cakar ayam xls desain dekorasi rumah. Tinggi efektif pondasi telapak d 033 m. Download spreadsheet excel, perencanaan pondasi telapak menghitung volume pekerjaan xls) contoh.
Source: scribd.com
Rab pondasi cakar ayam xls desain dekorasi rumah. Dibawah ini merupakan file excel perhitungan untuk pondasi tiang pancang dan footplat. • hasil analisis struktur dari suatu kolom interior, berukuran 500mm x 500mm, diperoleh: Cara terbaru menghitung kebutuhan tulangan mudah dipahami. By irul mahmudi oktober 01, 2019 0 comments.
Source: asiyahku.blogspot.com
Pondasi tiang pancang beton pada prinsipnya terdiri dari : Lebih lama woles footer menu widget. Sebagai gambaran dalam perhitungan ini dibahas mengenai : Gallery perhitungan pondasi tiang pancang excel. Analisa data dan penyelidikan tanah.
Source: sarekill.blogspot.com
Umumnya model tempat tinggal ini terdiri atas berbagai hal contohnya model tidur, desain tamu, kamar keluarga dan model mandi. Video tutorial ini sebagai panduan untuk melakukan analisa pondasi telapak menggunakan formula excel yang sudah kami buat.semoga formula excel dan panduan vi. Cara menghitung volume galian pondasi tapak, cara menghitung pondasi telapak, cara menghitung volume pondasi cakar ayam, menghitung volume pondasi trapesium, perhitungan pondasi telapak xls, menghitung. Pondasi tiang pancang beton pada prinsipnya terdiri dari : By irul mahmudi oktober 01, 2019 0 comments.
Source: slideshare.net
Analysis and evaluation of the reliability of the building of poso city mall (lr concrete dmrf) Model hunian yang satu ini nggak akan menjadikan hunian yang ribet. • hasil analisis struktur dari suatu kolom interior, berukuran 500mm x 500mm, diperoleh: Laporan singkat perhitungan) landasan teori (dasar perencanaan) dalam mendesain pondasi telapak, perencanaan pondasi harus mencakup segala aspek agar terjamin keamanan sesuai dengan persyaratan yang berlaku, misalnya, penentuan dimensi pondasi meliputi panjang, lebar dan tebal pondasi, kemudian jumlah dan jarak tulangan yang harus. Perhitungan pondasi footplat & tiang pancang (fitri handayani_061630100055).xlsx
Source: taikess.blogspot.com
Pondasi merupakan struktur bawah yang berfungsi untuk meletakkan bangunan di atas tanah dan meneruskan beban ke tanah dasar. Rab pondasi cakar ayam xls desain dekorasi rumah. You can also bookmark this page with the. Poin pembahasan 10+ cara menghitung volume tulangan pondasi telapak adalah : P dl = 750 kn, pll = 500 kn • kuat tekan karakteristik beton = 25 mpa • daya dukung tanah ( σt)= 250 kpa • kedalaman tanah keras 2 m • berat jenis tanah ( γt)= 15 kn/m 3 • hitung dimensi dan penulangan pondasi.
Source: sipilpedia.com
Maka dari itu pondasi ini disebut pondasi tapak. Download spreadsheet excel, perencanaan pondasi telapak menghitung volume pekerjaan xls) contoh. Cara menghitung tulangan pondasi tapak. Popular perhitungan pile cap excel pondasi beton. Perhitungan pondasi telapak xls id scribd com perhitungan pondasi tiang pancang excel, aug 22 2019 2 untuk spreadsheet perencanaan pondasi telapak persegi panjang ini penulis tetap mengandalkan microsoft excel sebagai platform nya selain dikarenakan pengoperasiannya yang relatif mudah excel juga memilki kekuatan di bahasa macro nya dan.
Source: sarekill.blogspot.com
Kapasitas daya dukung tanah a. Download spreadsheet excel, perencanaan pondasi telapak menghitung volume pekerjaan xls) contoh. Unduh sebagai xls, pdf, txt atau baca online dari scribd. Perhitungan pondasi telapak by dm cute766. Sebelum masuk ke cara menghitungnya, kita bahas singkat terlebih dahulu soal apa itu pondasi tapak.
Source: dekorasiwarnarumah.web.app
Pondasi tiang pancang beton pada prinsipnya terdiri dari : Perhitungan pondasi telapak blog nobel. • hasil analisis struktur dari suatu kolom interior, berukuran 500mm x 500mm, diperoleh: Gallery perhitungan pondasi tiang pancang excel. Kampus teknik sipil spreadsheet excel perencanaan pondasi telapak persegi panjang.
Source: excel.bourbon-two-sicilies.org
• hasil analisis struktur dari suatu kolom interior, berukuran 500mm x 500mm, diperoleh: Perhitungan volume dan rab pondasi telapak inilah 5 cara menghitung volume beton pondasi cakar ayam rab pondasi cakar ayam xls belajar teknik sipil, jasa perencanaan konstruksi bangunan: Sebelum masuk ke cara menghitungnya, kita bahas singkat terlebih dahulu soal apa itu pondasi tapak. Unduh sebagai xls, pdf, txt atau baca online dari scribd. Gallery perhitungan pondasi tiang pancang excel.
Source: es.scribd.com
Pondasi merupakan struktur bawah yang berfungsi untuk meletakkan bangunan di atas tanah dan meneruskan beban ke tanah dasar. Gabungan rencanakan pondasi telapak gabungan dengan 2 kolom (40 x 40) cm. Simpan simpan perhitungan pondasi telapak.xls untuk nanti. Video tutorial ini sebagai panduan untuk melakukan analisa pondasi telapak menggunakan formula excel yang sudah kami buat.semoga formula excel dan panduan vi. Perhitungan pondasi telapak blog nobel.
This site is an open community for users to share their favorite wallpapers on the internet, all images or pictures in this website are for personal wallpaper use only, it is stricly prohibited to use this wallpaper for commercial purposes, if you are the author and find this image is shared without your permission, please kindly raise a DMCA report to Us.
If you find this site value, please support us by sharing this posts to your preference social media accounts like Facebook, Instagram and so on or you can also save this blog page with the title perhitungan pondasi telapak xls by using Ctrl + D for devices a laptop with a Windows operating system or Command + D for laptops with an Apple operating system. If you use a smartphone, you can also use the drawer menu of the browser you are using. Whether it’s a Windows, Mac, iOS or Android operating system, you will still be able to bookmark this website.





